пн-пт: с 9:00 до 18:00
Кызыл
Ваш регион - Кызыл?

Швеллер г/к 5У Ст. 3сп/пс5

Продажа оптом швеллер г/к 5У Ст. 3сп/пс5 от компании «ТД МегаСталь». Широкий выбор в нашем каталоге от производителя. Доставка по Кызыле. Низкая цена за метр и тонну. Гарантия качества!
Швеллер г/к 5У Ст. 3сп/пс5
Характеристики:
Марка стали: 3сп/пс5
Длина: 6 м
Способ обработки: горячекатаный
Размер профиля: 5 мм
Вид швеллера: У – с уклоном внутренних граней
ГОСТы: 8240

Цена за тонну : 62 000 pуб.

Возможность доставки в день заказа
Бесплатная резка

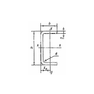
Стальной швеллер г/к 5У Ст. 3сп/пс5 — металлоизделие с П-образным сечением, у которой обе полки выходят на одну сторону. Производится по ГОСТ 8240-97. Такой элемент помогает существенно увеличить жесткость и несущую способность конструкции. Основная область применения — опора для конструкций, выполненных из металла и железобетона. Распространено использование в вагоностроении, создании опор, армировании подземных сооружений и других областях.

Характеристики и маркировка стального швеллера г/к 5У Ст. 3сп/пс5

Главные параметры — вес погонного метра, общая длина, размеры полок. Для удобства обозначения каждому товару присваивается номер.

Они отличаются по степени максимального отклонения от прописанных в ГОСТ размеров.

При покупке стоит учитывать тип товара. У равнополочного швеллера обе полки имеют одинаковую длину, у неравнополочного — отличаются. В продаже вы найдете горячекатаный и гнутый швеллер, изделия мерной, кратной мерной и немерной длины.

Преимущества изделия

  • Высокое качество стали. Это обеспечивает стойкость к нагрузкам, коррозии, механическим повреждениям в строительстве.
  • Повышенная жесткость. Она ниже, чем у двутавра, но выше, чем у многих других видов металлопроката.
  • Обширный сортамент. Есть изделия с нужными характеристиками в зависимости от области использования.

Чтобы купить стальной швеллер г/к 5У Ст. 3сп/пс5 в Кызыле, звоните нам. Поставляем товар оптом с собственного склада. Продукция соответствует ГОСТ. Сортамент обширный. Подберем нужный тип изделия, подробнее расскажем о характеристиках, дадим другую важную информацию. Отправляем собственным транспортом, проводим погрузку и разгрузку. Чтобы оформить покупку, оставьте заявку на сайте или позвоните.

Доставка по Москве и области

Заказ по Москве и Московской области доставим на следующий день после его оплаты. За наличный расчет возможна отгрузка товаров в день обращения. Стоимость перевозки зависит от грузоподъемности автомобиля и удаленности адреса от МКАД.

Доставка в регионы

В другие города России доставляем заказы надежными транспортными компаниями, например «Деловые линии» или «ПЭК». Менеджер рассчитает стоимость перевозки и передаст документы представителям ТК. Срок транспортировки зависит от удаленности места назначения.

Оплата

Мы предлагаем вам два варианта оплаты:

  • безналично
  • банковским переводом

Работаем по предоплате. Постоянным заказчикам в индивидуальном порядке готовы предложить рассрочку.

Оплатить товары можно при самовывозе со склада.

Реквизиты для расчетов

  •   Производство профнастила
  •   Лазерная резка металла
  •   Плазменная резка металла
  •   Поперечная резка рулонной стали
  •   Продольная резка рулонной стали
  •   Гибка металла
  •   Окрашивание рулонной оцинкованной стали
  •   Двутавровые сварные балки

Рассчитайте свой заказ

* - обязательные для заполнения поля

Вы недавно смотрели

© ООО «ТД «МегаСталь», 2014–2026

WebCanape - создание сайтов, контекстная реклама и продвижение

Мы в соцсетях:
Адрес: г. Москва, ул. Барклая, 6с5
8 800 200 01 82